BASE PALETIZADA VIGA I (TRAVE ÚNICA)

Descrição

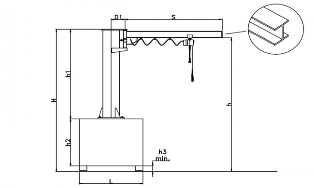
Modelo com coluna

Fornecido com coluna, braço rotativo com sistema de travagem automática, sistema eléctrico com cabo liso e suporte de cabo em plástico, pintura anti-corrosão e duas de mãos de esmalte, base para enchimento com betão.

Características

Capacidade:

125-500Kg



Comprimento de Braço:

2-5M (125-250Kg); 2-4M (500Kg)

TOPO